emilspec
An Integrated Publishing, Inc. Site
eMilSpec
An Integrated Publishing Website
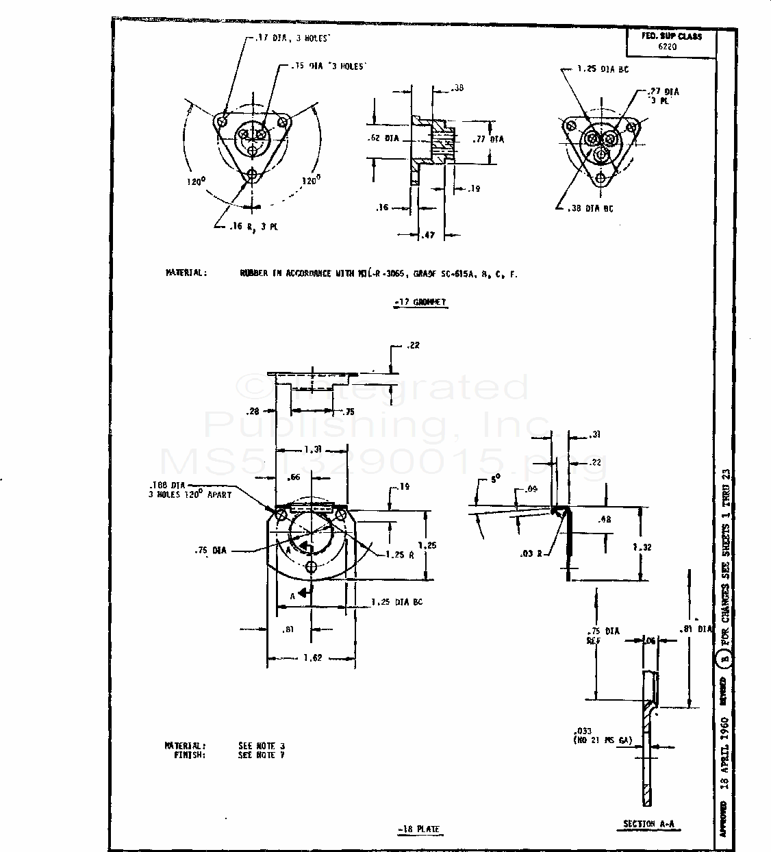
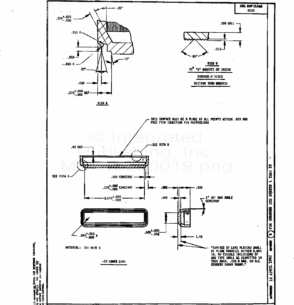
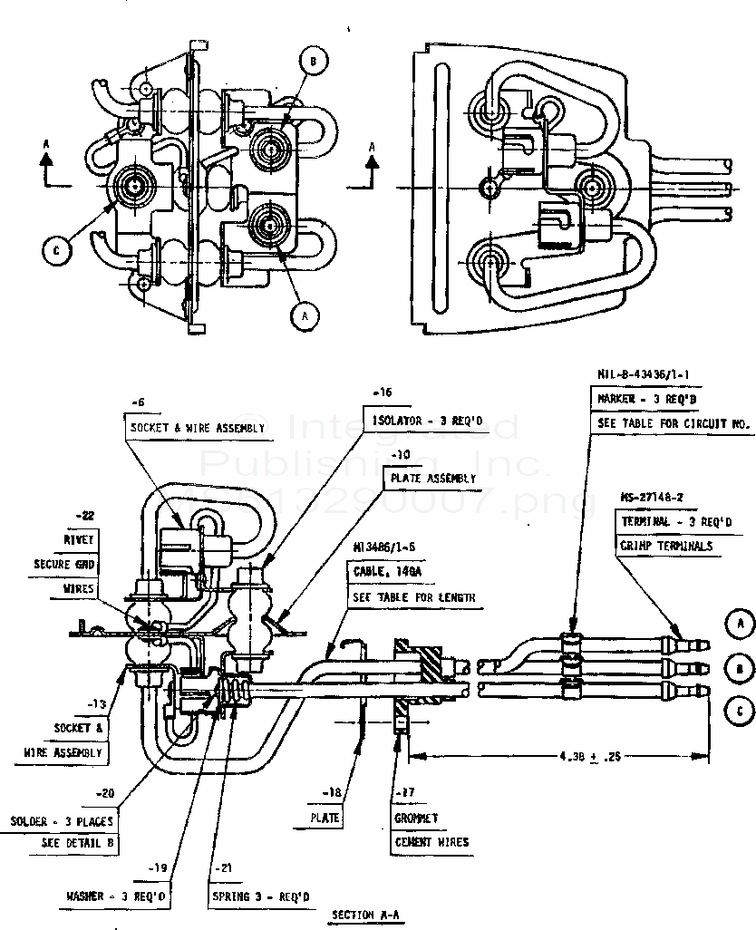
MS51329 Stop Light - Taillight, Vehicular-24 Volt, Service Stop, Service Tail, Blackout Tail (S/S By Mil-Dtl-32360)
For Parts Inquires call
Parts Hangar, Inc
(727) 493-0744
© Copyright 2015 Integrated Publishing, Inc.
A Service Disabled Veteran Owned Small Business